中国林业网站群
|
企业邮箱
|
繁体
|
ENGLISH
企业概况
企业简介
董事长致辞
组织架构
管理团队
成员单位
新闻中心
企业新闻
集团新闻
国资要闻
通知公告
企业动态
木材市场报告
木材信息快报
主营业务
业务概述
德赢是哪的网站
人才愿景
人才招聘
产品与服务
产品介绍
产品展示
林产品信息
德赢vwin手机官网
党建动态
群团工作
学习二十大专栏
主题教育
vwin德赢体育滚球
vwin德赢体育滚球 专栏
关注与视野
公司风采
首页
>
vwin德赢体育滚球
>
vwin德赢体育滚球 详情
vwin德赢体育滚球
vwin德赢体育滚球 专栏
关注与视野
公司风采
vwin德赢体育滚球
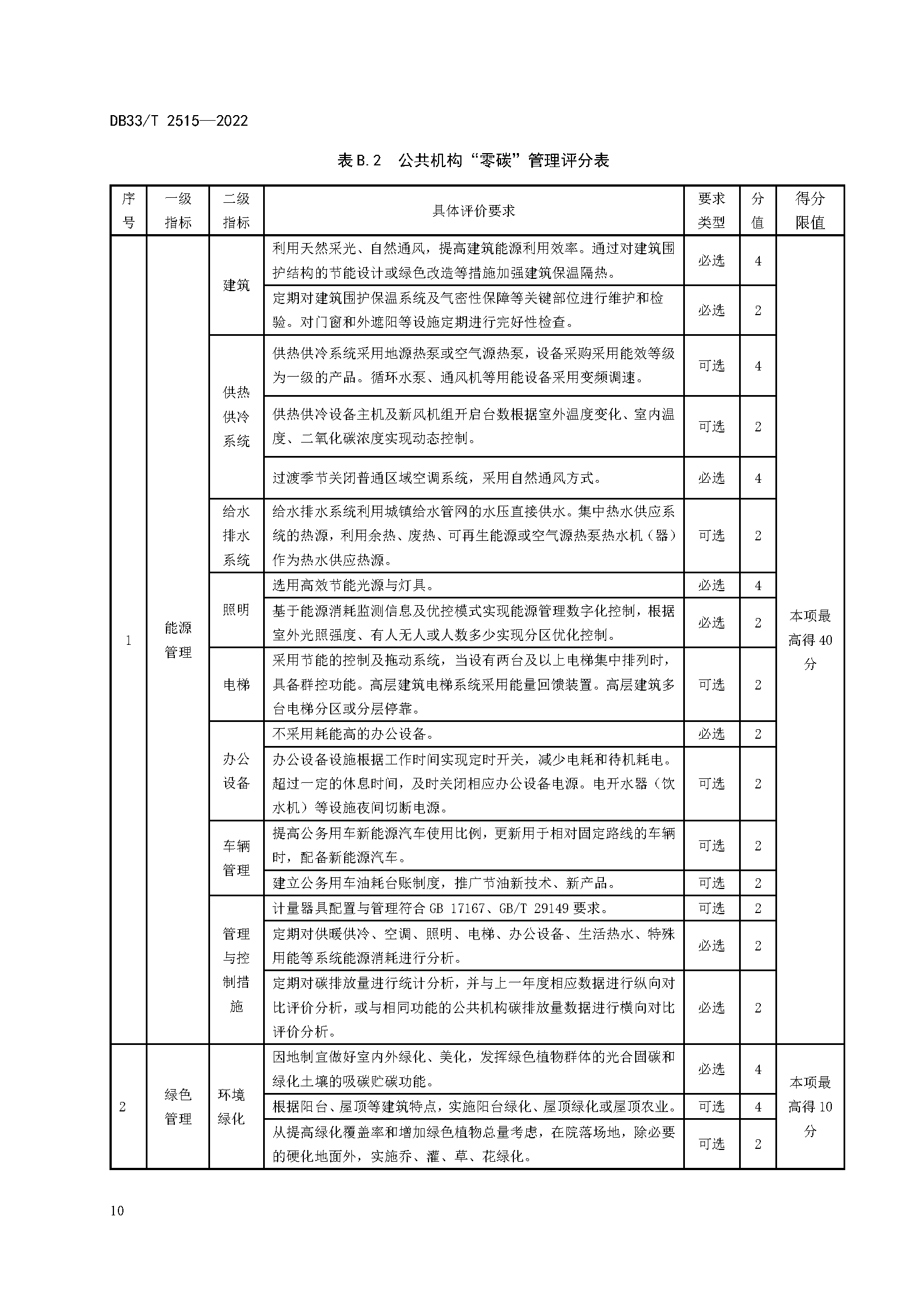
双碳资讯 | 浙江省市场监督管理局批准发布 《公共机构“零碳”管理与评价规范》省级地方标准
发布时间:
2022-08-16
来源:
浙江省市场监督管理局
近日,浙江省市场监督管理局发布《公共机构“零碳”管理与评价规范》,成为全国公共机构领域首个可量化、可操作、可评价的“零碳”创建标准与评价细则。
打印本页
相关信息
map